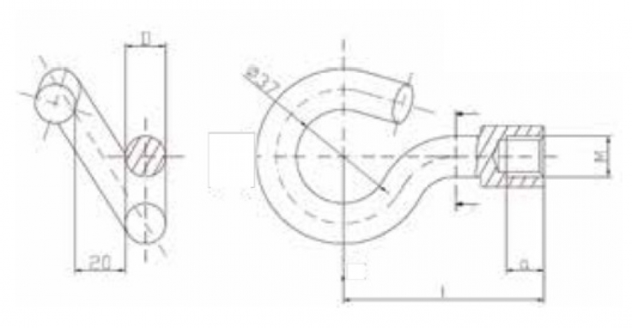
Hak HN służy do zawieszenia osprzętu liniowego na słupowych konstrukcjach wsporczych.
Materiał: stal cynkowana zanurzeniowo (ogniowo)
| Symbol | M | l | a |
| HN 12 | M12 | 70 | 16 |
| HN 16 | M16 | 76 | 18 |
| HN 20 | M20 | 80 | 22 |
Hak HN służy do zawieszenia osprzętu liniowego na słupowych konstrukcjach wsporczych.
Materiał: stal cynkowana zanurzeniowo (ogniowo)
| Symbol | M | l | a |
| HN 12 | M12 | 70 | 16 |
| HN 16 | M16 | 76 | 18 |
| HN 20 | M20 | 80 | 22 |